Effective 7/01/2022 – 6/30/2026
To save or print a Microsoft Word document (DOCX) version click here
If you want a more detailed approach that will explain amateur radio in depth, I recommend the ARRL Ham Radio License Manual 5th Edition which is a complete study guide with the question pool to help you pass the General Class Amateur Radio Exam.
Only Correct Answers Shown for Studying Purposes
SUBELEMENT T1 – COMMISSION’S RULES – [6 Exam Questions – 6 Groups]
T1A – Purpose and permissible use of the Amateur Radio Service; Operator/primary station license grant; Meanings of basic terms used in FCC rules; Interference; RACES rules; Phonetics; Frequency Coordinator
T1A01 (C) [97.1]
Which of the following is part of the Basis and Purpose of the Amateur Radio Service?
C. Advancing skills in the technical and communication phases of the radio art
T1A02 (C) [97.1]
Which agency regulates and enforces the rules for the Amateur Radio Service in the United States?
C. The FCC
T1A03 (B) [97.119(b)(2)]
What do the FCC rules state regarding the use of a phonetic alphabet for station identification in the Amateur Radio Service?
B. It is encouraged
T1A04 (A) [97.5(b)(1)]
How many operator/primary station license grants may be held by any one person?
A. One
T1A05 (C) [97.7]
What proves that the FCC has issued an operator/primary license grant?
C. The license appears in the FCC ULS database
T1A06 (D) [97.3(a)(9)]
What is the FCC Part 97 definition of a beacon?
D. An amateur station transmitting communications for the purposes of observing propagation or related experimental activities
T1A07 (C) [97.3(a)(41)]
What is the FCC Part 97 definition of a space station?
C. An amateur station located more than 50 km above Earth’s surface
T1A08 (B) [97.3(a)(22)]
Which of the following entities recommends transmit/receive channels and other parameters for auxiliary and repeater stations?
B. Volunteer Frequency Coordinator recognized by local amateurs
T1A09 (C) [97.3(a)(22)]
Who selects a Frequency Coordinator?
C. Amateur operators in a local or regional area whose stations are eligible to be repeater or auxiliary stations
T1A10 (D) [97.3(a)(38), 97.407]
What is the Radio Amateur Civil Emergency Service (RACES)?
A. A radio service using amateur frequencies for emergency management or civil defense communications
B. A radio service using amateur stations for emergency management or civil defense communications
C. An emergency service using amateur operators certified by a civil defense organization as being enrolled in that organization
D. All these choices are correct
T1A11 (B) [97.101 (d)]
When is willful interference to other amateur radio stations permitted?
B. At no time
T1B – Frequency allocations; Emission modes; Spectrum sharing; Transmissions near band edges; Contacting the International Space Station; Power output
T1B01 (C) [97.301 (e)]
Which of the following frequency ranges are available for phone operation by Technician licensees?
C. 28.300 MHz to 28.500 MHz
T1B02 (B) [97.301, 97.207(c)]
Which amateurs may contact the International Space Station (ISS) on VHF bands?
B. Any amateur holding a Technician class or higher license
T1B03 (B) [97.301(a)]
Which frequency is in the 6 meter amateur band?
B. 52.525 MHz
T1B04 (D) [97.301(a)]
Which amateur band includes 146.52 MHz?
D. 2 meters
T1B05 (D) [97.305(c)]
How may amateurs use the 219 to 220 MHz segment of 1.25 meter band?
D. Fixed digital message forwarding systems only
T1B06 (B) [97.301(e), 97.305]
On which HF bands does a Technician class operator have phone privileges?
B. 10 meter band only
T1B07 (A) [97.305(a), (c)]
Which of the following VHF/UHF band segments are limited to CW only?
A. 50.0 MHz to 50.1 MHz and 144.0 MHz to 144.1 MHz
T1B08 (A) [97.303]
How are US amateurs restricted in segments of bands where the Amateur Radio Service is secondary?
A. U.S. amateurs may find non-amateur stations in those segments, and must avoid interfering with them
T1B09 (D) [97.101(a), 97.301(a-e)]
Why should you not set your transmit frequency to be exactly at the edge of an amateur band or sub-band?
A. To allow for calibration error in the transmitter frequency display
B. So that modulation sidebands do not extend beyond the band edge
C. To allow for transmitter frequency drift
D. All these choices are correct
T1B10 (C) [97.305(c)]
Where may SSB phones be used in amateur bands above 50 MHz?
C. In at least some segment of all these bands
T1B11 (A) [97.313]
What is the maximum peak envelope power output for Technician class operators in their HF band segments?
A. 200 watts
T1B12 (D) [97.313(b)]
Except for some specific restrictions, what is the maximum peak envelope power output for Technician class operators using frequencies above 30 MHz?
D. 1500 watts
T1C – Licensing: classes, sequential and vanity call sign systems, places where the Amateur Radio Service is regulated by the FCC, name and address on FCC license database, term, renewal, grace period, maintaining mailing address; International communications
T1C01 (D) [97.9(a), 97.17(a)]
For which license classes are new licenses currently available from the FCC?
D. Technician, General, Amateur Extra
T1C02 (D) [97.19]
Who may select a desired call sign under the vanity call sign rules?
D. Any licensed amateur
T1C03 (A) [97.117]
What types of international communications are an FCC-licensed amateur radio station permitted to make?
A. Communications incidental to the purposes of the Amateur Radio Service and remarks of a personal character
T1C04 (B) [97.23]
What may happen if the FCC is unable to reach you by email?
B. Revocation of the station license or suspension of the operator license
T1C05 (A)
Which of the following is a valid Technician class call sign format?
A. KF1XXX
T1C06 (D) [97.5(a)(2)]
From which of the following locations may an FCC-licensed amateur station transmit?
D. From any vessel or craft located in international waters and documented or registered in the United States
T1C07 (B) [97.23]
Which of the following can result in revocation of the station license or suspension of the operator license?
B. Failure to provide and maintain a correct email address with the FCC
T1C08 (C) [97.25]
What is the normal term for an FCC-issued amateur radio license?
C. Ten years
T1C09 (A) [97.21(a)(b)]
What is the grace period for renewal if an amateur license expires?
A. Two years
T1C10 (C) [97.5a]
How soon after passing the examination for your first amateur radio license may you transmit on the amateur radio bands?
C. As soon as your operator/station license grant appears in the FCC’s license database
T1C11 (D) [97.21(b)]
If your license has expired and is still within the allowable grace period, may you continue to transmit on the amateur radio bands?
D. No, you must wait until the license has been renewed
T1D – Authorized and prohibited transmissions: communications with other countries, music, exchange of information with other services, indecent language, compensation for operating, retransmission of other amateur signals, encryption, sale of equipment, unidentified transmissions, one-way transmission
T1D01 (A) [97.111(a)(1)]
With which countries are FCC-licensed amateur radio stations prohibited from exchanging communications?
A. Any country whose administration has notified the International Telecommunication Union (ITU) that it objects to such communications
T1D02 (B) [97.113(b), 97.111(b)]
Under which of the following circumstances are one-way transmissions by an amateur station prohibited?
B. Broadcasting
T1D03 (C) [97.211(b), 97.215(b), 97.113(a)(4)]
When is it permissible to transmit messages encoded to obscure their meaning?
C. Only when transmitting control commands to space stations or radio control craft
T1D04 (A) [97.113(a)(4), 97.113(c)]
Under what conditions is an amateur station authorized to transmit music using a phone emission?
A. When incidental to an authorized retransmission of manned spacecraft communications
T1D05 (D) [97.113(a)(3)(ii)]
When may amateur radio operators use their stations to notify other amateurs of the availability of equipment for sale or trade?
D. When selling amateur radio equipment and not on a regular basis
T1D06 (B) [97.113(a)(4)]
What, if any, are the restrictions concerning transmission of language that may be considered indecent or obscene?
B. Any such language is prohibited
T1D07 (D) [97.113(d)]
What types of amateur stations can automatically retransmit the signals of other amateur stations?
D. Repeater, auxiliary, or space stations
T1D08 (B) [97.113(a)(3)(iii)]
In which of the following circumstances may the control operator of an amateur station receive compensation for operating that station?
B. When the communication is incidental to classroom instruction at an educational institution
T1D09 (A) [97.113(5)(b)]
When may amateur stations transmit information in support of broadcasting, program production, or news gathering, assuming no other means is available?
A. When such communications are directly related to the immediate safety of human life or protection of property
T1D10 (D) [97.3(a)(10)]
How does the FCC define broadcasting for the Amateur Radio Service?
D. Transmissions intended for reception by the general public
T1D11 (D) [97.119(a)]
When may an amateur station transmit without identifying on the air?
D. When transmitting signals to control model craft
T1E – Control operator: eligibility, designating, privileges, duties, location, required; Control point; Control types: automatic, remote
T1E01 (D) [97.7(a)]
When may an amateur station transmit without a control operator?
D. Never
T1E02 (D) [97.301, 97.207(c)]
Who may be the control operator of a station communicating through an amateur satellite or space station?
D. Any amateur allowed to transmit on the satellite uplink frequency
T1E03 (A) [97.103(b)]
Who must designate the station control operator?
A. The station licensee
T1E04 (D) [97.103(b)]
What determines the transmitting frequency privileges of an amateur station?
D. The class of operator license held by the control operator
T1E05 (C) [97.3(a)(14)]
What is an amateur station’s control point?
C. The location at which the control operator function is performed
T1E06 (A) [97.301]
When, under normal circumstances, may a Technician class licensee be the control operator of a station operating in an Amateur Extra Class band segment?
A. At no time
T1E07 (D) [97.103(a)]
When the control operator is not the station licensee, who is responsible for the proper operation of the station?
D. The control operator and the station licensee
T1E08 (A) [97.3(a)(6), 97.205(d)]
Which of the following is an example of automatic control?
A. Repeater operation
T1E09 (D) [97.109(c)]
Which of the following are required for remote control operation?
A. The control operator must be at the control point
B. A control operator is required at all times
C. The control operator must indirectly manipulate the controls
D. All these choices are correct
T1E10 (B) [97.3(a)(39)]
Which of the following is an example of remote control as defined in Part 97?
B. Operating the station over the internet
T1E11 (D) [97.103(a)]
Who does the FCC presume to be the control operator of an amateur station, unless documentation to the contrary is in the station records?
D. The station licensee
T1F – Station identification; Repeaters; Third party communications; Club stations; FCC inspection
T1F01 (B) [97.103(c)]
When must the station and its records be available for FCC inspection?
B. At any time upon request by an FCC representative
T1F02 (C) [97.119 (a)]
How often must you identify with your FCC-assigned call sign when using tactical call signs such as “Race Headquarters”?
C. At the end of each communication and every ten minutes during a communication
T1F03 (D) [97.119(a)]
When are you required to transmit your assigned call sign?
D. At least every 10 minutes during and at the end of a communication
T1F04 (C) [97.119(b)(2)]
What language may you use for identification when operating in a phone sub-band?
C. English
T1F05 (B) [97.119(b)(2)]
What method of call sign identification is required for a station transmitting phone signals?
B. Send the call sign using a CW or phone emission
T1F06 (D) [97.119(c)]
Which of the following self-assigned indicators are acceptable when using a phone transmission?
A. KL7CC stroke W3
B. KL7CC slant W3
C. KL7CC slash W3
D. All these choices are correct
T1F07 (B) [97.115(a)(2)]
Which of the following restrictions apply when a non-licensed person is allowed to speak to a foreign station using a station under the control of a licensed amateur operator?
B. The foreign station must be in a country with which the U.S. has a third party agreement
T1F08 (A) [97.3(a)(47)]
What is the definition of third party communications?
A. A message from a control operator to another amateur station control operator on behalf of another person
T1F09 (C) [97.3(a)(40)]
What type of amateur station simultaneously retransmits the signal of another amateur station on a different channel or channels?
C. Repeater station
T1F10 (A) [97.205(g)]
Who is accountable if a repeater inadvertently retransmits communications that violate the FCC rules?
A. The control operator of the originating station
T1F11 (B) [97.5(b)(2)]
Which of the following is a requirement for the issuance of a club station license grant?
B. The club must have at least four members
SUBELEMENT T2 – OPERATING PROCEDURES – [3 Exam Questions – 3 Groups]
T2A – Station operation: choosing an operating frequency, calling another station, test transmissions; Band plans: calling frequencies, repeater offsets
T2A01 (B)
What is a common repeater frequency offset in the 2 meter band?
B. Plus or minus 600 kHz
T2A02 (A)
What is the national calling frequency for FM simplex operations in the 2 meter band?
A. 146.520 MHz
T2A03 (A)
What is a common repeater frequency offset in the 70 cm band?
A. Plus or minus 5 MHz
T2A04 (B)
What is an appropriate way to call another station on a repeater if you know the other station’s call sign?
B. Say the station’s call sign, then identify with your call sign
T2A05 (C)
How should you respond to a station calling CQ?
C. Transmit the other station’s call sign followed by your call sign
T2A06 (A)
Which of the following is required when making on-the-air test transmissions?
A. Identify the transmitting station
T2A07 (A)
What is meant by “repeater offset”?
A. The difference between a repeater’s transmit and receive frequencies
T2A08 (D)
What is the meaning of the procedural signal “CQ”?
D. Calling any station
T2A09 (B)
Which of the following indicates that a station is listening on a repeater and looking for a contact?
B. The station’s call sign followed by the word “monitoring”
T2A10 (A)
What is a band plan, beyond the privileges established by the FCC?
A. A voluntary guideline for using different modes or activities within an amateur band
T2A11 (C)
What term describes an amateur station that is transmitting and receiving on the same frequency?
C. Simplex
T2A12 (D)
What should you do before calling CQ?
A. Listen first to be sure that no one else is using the frequency
B. Ask if the frequency is in use
C. Make sure you are authorized to use that frequency
D. All these choices are correct
T2B – VHF/UHF operating practices: FM repeater, simplex, reverse splits; Access tones: CTCSS, DTMF; DMR operation; Resolving operational problems; Q signals
T2B01 (C)
How is a VHF/UHF transceiver’s “reverse” function used?
C. To listen on a repeater’s input frequency
T2B02 (D)
What term describes the use of a sub-audible tone transmitted along with normal voice audio to open the squelch of a receiver?
D. CTCSS
T2B03 (A)
Which of the following describes a linked repeater network?
A. A network of repeaters in which signals received by one repeater are transmitted by all the repeaters in the network
T2B04 (D)
Which of the following could be the reason you are unable to access a repeater whose output you can hear?
A. Improper transceiver offset
B. You are using the wrong CTCSS tone
C. You are using the wrong DCS code
D. All these choices are correct
T2B05 (C)
What would cause your FM transmission audio to be distorted on voice peaks?
C. You are talking too loudly
T2B06 (A)
What type of signaling uses pairs of audio tones?
A. DTMF
T2B07 (C)
How can you join a digital repeater’s “talkgroup”?
C. Program your radio with the group’s ID or code
T2B08 (A)
Which of the following applies when two stations transmitting on the same frequency interfere with each other?
A. The stations should negotiate continued use of the frequency
T2B09 (A)
Why are simplex channels designated in the VHF/UHF band plans?
A. So stations within range of each other can communicate without tying up a repeater
T2B10 (A)
Which Q signal indicates that you are receiving interference from other stations?
A. QRM
T2B11 (B)
Which Q signal indicates that you are changing frequency?
B. QSY
T2B12 (A)
What is the purpose of the color code used on DMR repeater systems?
A. Must match the repeater color code for access
T2B13 (B)
What is the purpose of a squelch function?
B. Mute the receiver audio when a signal is not present
T2C – Public service: emergency operations, applicability of FCC rules, RACES and ARES, net and traffic procedures, operating restrictions during emergencies, use of phonetics in message handling
T2C01 (D) [97.103(a)]
When do FCC rules NOT apply to the operation of an amateur station?
D. FCC rules always apply
T2C02 (C)
Which of the following are typical duties of a Net Control Station?
C. Call the net to order and direct communications between stations checking in
T2C03 (C)
What technique is used to ensure that voice messages containing unusual words are received correctly?
C. Spell the words using a standard phonetic alphabet
T2C04 (D)
What is RACES?
D. An FCC part 97 amateur radio service for civil defense communications during national emergencies
T2C05 (A)
What does the term “traffic” refer to in net operation?
A. Messages exchanged by net stations
T2C06 (A)
What is the Amateur Radio Emergency Service (ARES)?
A. A group of licensed amateurs who have voluntarily registered their qualifications and equipment for communications duty in the public service
T2C07 (C)
Which of the following is standard practice when you participate in a net?
C. Unless you are reporting an emergency, transmit only when directed by the net control station
T2C08 (A)
Which of the following is a characteristic of good traffic handling?
A. Passing messages exactly as received
T2C09 (D)
Are amateur station control operators ever permitted to operate outside the frequency privileges of their license class?
D. Yes, but only in situations involving the immediate safety of human life or protection of property
T2C10 (D)
What information is contained in the preamble of a formal traffic message?
D. Information needed to track the message
T2C11 (A)
What is meant by “check” in a radiogram header?
A. The number of words or word equivalents in the text portion of the message
SUBELEMENT T3 – RADIO WAVE PROPAGATION – [3 Exam Questions – 3 Groups]
T3A – Radio wave characteristics: how a radio signal travels, fading, multipath, polarization, wavelength vs absorption; Antenna orientation
T3A01 (C)
Why do VHF signal strengths sometimes vary greatly when the antenna is moved only a few feet?
C. Multipath propagation cancels or reinforces signals
T3A02 (B)
What is the effect of vegetation on UHF and microwave signals?
B. Absorption
T3A03 (C)
What antenna polarization is normally used for long-distance CW and SSB contacts on the VHF and UHF bands?
C. Horizontal
T3A04 (B)
What happens when antennas at opposite ends of a VHF or UHF line of sight radio link are not using the same polarization?
B. Received signal strength is reduced
T3A05 (B)
When using a directional antenna, how might your station be able to communicate with a distant repeater if buildings or obstructions are blocking the direct line of sight path?
B. Try to find a path that reflects signals to the repeater
T3A06 (B)
What is the meaning of the term “picket fencing”?
B. Rapid flutter on mobile signals due to multipath propagation
T3A07 (C)
What weather condition might decrease range at microwave frequencies?
C. Precipitation
T3A08 (D)
What is a likely cause of irregular fading of signals propagated by the ionosphere?
D. Random combining of signals arriving via different paths
T3A09 (B)
Which of the following results from the fact that signals propagated by the ionosphere are elliptically polarized?
B. Either vertically or horizontally polarized antennas may be used for transmission or reception
T3A10 (D)
What effect does multi-path propagation have on data transmissions?
D. Error rates are likely to increase
T3A11 (C)
Which region of the atmosphere can refract or bend HF and VHF radio waves?
C. The ionosphere
T3A12 (B)
What is the effect of fog and rain on signals in the 10 meter and 6 meter bands?
B. There is little effect
T3B – Electromagnetic wave properties: wavelength vs frequency, nature and velocity of electromagnetic waves, relationship of wavelength and frequency; Electromagnetic spectrum definitions: UHF, VHF, HF
T3B01 (D)
What is the relationship between the electric and magnetic fields of an electromagnetic wave?
D. They are at right angles
T3B02 (A)
What property of a radio wave defines its polarization?
A. The orientation of the electric field
T3B03 (C)
What are the two components of a radio wave?
C. Electric and magnetic fields
T3B04 (A)
What is the velocity of a radio wave traveling through free space?
A. Speed of light
T3B05 (B)
What is the relationship between wavelength and frequency?
B. Wavelength gets shorter as frequency increases
T3B06 (D)
What is the formula for converting frequency to approximate wavelength in meters?
D. Wavelength in meters equals 300 divided by frequency in megahertz
T3B07 (A)
In addition to frequency, which of the following is used to identify amateur radio bands?
A. The approximate wavelength in meters
T3B08 (B)
What frequency range is referred to as VHF?
B. 30 MHz to 300 MHz
T3B09 (D)
What frequency range is referred to as UHF?
D. 300 to 3000 MHz
T3B10 (C)
What frequency range is referred to as HF?
C. 3 to 30 MHz
T3B11 (B)
What is the approximate velocity of a radio wave in free space?
B. 300,000,000 meters per second
T3C – Propagation modes: sporadic E, meteor scatter, auroral propagation, tropospheric ducting; F region skip; Line of sight and radio horizon
T3C01 (C)
Why are simplex UHF signals rarely heard beyond their radio horizon?
C. UHF signals are usually not propagated by the ionosphere
T3C02 (C)
What is a characteristic of HF communication compared with communications on VHF and higher frequencies?
C. Long-distance ionospheric propagation is far more common on HF
T3C03 (B)
What is a characteristic of VHF signals received via auroral backscatter?
B. They are distorted and signal strength varies considerably
T3C04 (B)
Which of the following types of propagation is most commonly associated with occasional strong signals on the 10, 6, and 2 meter bands from beyond the radio horizon?
B. Sporadic E
T3C05 (A)
Which of the following effects may allow radio signals to travel beyond obstructions between the transmitting and receiving stations?
A. Knife-edge diffraction
T3C06 (A)
What type of propagation is responsible for allowing over-the-horizon VHF and UHF communications to ranges of approximately 300 miles on a regular basis?
A. Tropospheric ducting
T3C07 (B)
What band is best suited for communicating via meteor scatter?
B. 6 meters
T3C08 (D)
What causes tropospheric ducting?
D. Temperature inversions in the atmosphere
T3C09 (A)
What is generally the best time for long-distance 10 meter band propagation via the F region?
A. From dawn to shortly after sunset during periods of high sunspot activity
T3C10 (A)
Which of the following bands may provide long-distance communications via the ionosphere’s F region during the peak of the sunspot cycle?
A. 6 and 10 meters
T3C11 (C)
Why is the radio horizon for VHF and UHF signals more distant than the visual horizon?
C. The atmosphere refracts radio waves slightly
SUBELEMENT T4 – AMATEUR RADIO PRACTICES – [2 Exam Questions – 2 Groups]
T4A – Station setup: connecting a microphone, a power source, a computer, digital equipment, an SWR meter; bonding; Mobile radio installation
T4A01 (D)
Which of the following is an appropriate power supply rating for a typical 50 watt output mobile FM transceiver?
D. 13.8 volts at 12 amperes
T4A02 (A)
Which of the following should be considered when selecting an accessory SWR meter?
A. The frequency and power level at which the measurements will be made
T4A03 (A)
Why are short, heavy-gauge wires used for a transceiver’s DC power connection?
A. To minimize voltage drop when transmitting
T4A04 (B)
How are the transceiver audio input and output connected in a station configured to operate using FT8?
B. To the audio input and output of a computer running WSJT-X software
T4A05 (A)
Where should an RF power meter be installed?
A. In the feed line, between the transmitter and antenna
T4A06 (C)
What signals are used in a computer-radio interface for digital mode operation?
C. Receive audio, transmit audio, and transmitter keying
T4A07 (C)
Which of the following connections is made between a computer and a transceiver to use computer software when operating digital modes?
C. Computer “line in” to transceiver speaker connector
T4A08 (D)
Which of the following conductors is preferred for bonding at RF?
D. Flat copper strap
T4A09 (B)
How can you determine the length of time that equipment can be powered from a battery?
B. Divide the battery ampere-hour rating by the average current draw of the equipment
T4A10 (A)
What function is performed with a transceiver and a digital mode hot spot?
A. Communication using digital voice or data systems via the internet
T4A11 (A)
Where should the negative power return of a mobile transceiver be connected in a vehicle?
A. At the 12 volt battery chassis ground
T4A12 (C)
What is an electronic keyer?
C. A device that assists in manual sending of Morse code
T4B – Operating controls: frequency tuning, use of filters, squelch function, AGC, memory channels, noise blanker, microphone gain, receiver incremental tuning (RIT), bandwidth selection, digital transceiver configuration
T4B01 (B)
What is the effect of excessive microphone gain on SSB transmissions?
B. Distorted transmitted audio
T4B02 (A)
Which of the following can be used to enter a transceiver’s operating frequency?
A. The keypad or VFO knob
T4B03 (A)
How is squelch adjusted so that a weak FM signal can be heard?
A. Set the squelch threshold so that receiver output audio is on all the time
T4B04 (B)
What is a way to enable quick access to a favorite frequency or channel on your transceiver?
B. Store it in a memory channel
T4B05 (C)
What does the scanning function of an FM transceiver do?
C. Tunes through a range of frequencies to check for activity
T4B06 (D)
Which of the following controls could be used if the voice pitch of a single-sideband signal returning to your CQ call seems too high or low?
D. The RIT or Clarifier
T4B07 (B)
What does a DMR “code plug” contain?
B. Access information for repeaters and talkgroups
T4B08 (B)
What is the advantage of having multiple receive bandwidth choices on a multimode transceiver?
B. Permits noise or interference reduction by selecting a bandwidth matching the mode
T4B09 (C)
How is a specific group of stations selected on a digital voice transceiver?
C. By entering the group’s identification code
T4B10 (C)
Which of the following receiver filter bandwidths provides the best signal-to-noise ratio for SSB reception?
C. 2400 Hz
T4B11 (A)
Which of the following must be programmed into a D-STAR digital transceiver before transmitting?
A. Your call sign
T4B12 (D)
What is the result of tuning an FM receiver above or below a signal’s frequency?
D. Distortion of the signal’s audio
SUBELEMENT T5 – ELECTRICAL PRINCIPLES – [4 Exam Questions – 4 Groups]
T5A – Current and voltage: terminology and units, conductors and insulators, alternating and direct current
T5A01 (D)
Electrical current is measured in which of the following units?
D. Amperes
T5A02 (B)
Electrical power is measured in which of the following units?
B. Watts
T5A03 (D)
What is the name for the flow of electrons in an electric circuit?
D. Current
T5A04 (C)
What are the units of electrical resistance?
C. Ohms
T5A05 (A)
What is the electrical term for the force that causes electron flow?
A. Voltage
T5A06 (A)
What is the unit of frequency?
A. Hertz
T5A07 (B)
Why are metals generally good conductors of electricity?
B. They have many free electrons
T5A08 (B)
Which of the following is a good electrical insulator?
B. Glass
T5A09 (C)
Which of the following describes alternating current?
C. Current that alternates between positive and negative directions
T5A10 (C)
Which term describes the rate at which electrical energy is used?
C. Power
T5A11 (D)
What type of current flow is opposed by resistance?
A. Direct current
B. Alternating current
C. RF current
D. All these choices are correct
T5A12 (D)
What describes the number of times per second that an alternating current makes a complete cycle?
D. Frequency
T5B – Math for electronics: conversion of electrical units, decibels
T5B01 (C)
How many milliamperes is 1.5 amperes?
C. 1500 milliamperes
T5B02 (A)
Which is equal to 1,500,000 hertz?
A. 1500 kHz
T5B03 (C)
Which is equal to one kilovolt?
C. One thousand volts
T5B04 (A)
Which is equal to one microvolt?
A. One one-millionth of a volt
T5B05 (B)
Which is equal to 500 milliwatts?
B. 0.5 watts
T5B06 (D)
Which is equal to 3000 milliamperes?
D. 3 amperes
T5B07 (C)
Which is equal to 3.525 MHz?
C. 3525 kHz
T5B08 (B)
Which is equal to 1,000,000 picofarads?
B. 1 microfarad
T5B09 (B)
Which decibel value most closely represents a power increase from 5 watts to 10 watts?
B. 3 dB
T5B10 (C)
Which decibel value most closely represents a power decrease from 12 watts to 3 watts?
C. -6 dB
T5B11 (A)
Which decibel value represents a power increase from 20 watts to 200 watts?
A. 10 dB
T5B12 (D)
Which is equal to 28400 kHz?
D. 28.400 MHz
T5B13 (C)
Which is equal to 2425 MHz?
C. 2.425 GHz
T5C – Capacitance and inductance terminology and units; Radio frequency definition and units; Impedance definition and units; Calculating power
T5C01 (D)
What describes the ability to store energy in an electric field?
D. Capacitance
T5C02 (A)
What is the unit of capacitance?
A. The farad
T5C03 (D)
What describes the ability to store energy in a magnetic field?
D. Inductance
T5C04 (C)
What is the unit of inductance?
C. The henry
T5C05 (D)
What is the unit of impedance?
D. The ohm
T5C06 (A)
What does the abbreviation “RF” mean?
A. Radio frequency signals of all types
T5C07 (D)
What is the abbreviation for megahertz?
D. MHz
T5C08 (A)
What is the formula used to calculate electrical power (P) in a DC circuit?
A. P = I E
T5C09 (A)
How much power is delivered by a voltage of 13.8 volts DC and a current of 10 amperes?
A. 138 watts
T5C10 (B)
How much power is delivered by a voltage of 12 volts DC and a current of 2.5 amperes?
B. 30 watts
T5C11 (B)
How much current is required to deliver 120 watts at a voltage of 12 volts DC?
B. 10 amperes
T5C12 (A)
What is impedance?
A. The opposition to AC current flow
T5C13 (D)
What is the abbreviation for kilohertz?
D. kHz
T5D – Ohm’s Law; Series and parallel circuits
T5D01 (B)
What formula is used to calculate current in a circuit?
B. I = E / R
T5D02 (A)
What formula is used to calculate voltage in a circuit?
A. E = I x R
T5D03 (B)
What formula is used to calculate resistance in a circuit?
B. R = E / I
T5D04 (B)
What is the resistance of a circuit in which a current of 3 amperes flows when connected to 90 volts?
B. 30 ohms
T5D05 (C)
What is the resistance of a circuit for which the applied voltage is 12 volts and the current flow is 1.5 amperes?
C. 8 ohms
T5D06 (A)
What is the resistance of a circuit that draws 4 amperes from a 12-volt source?
A. 3 ohms
T5D07 (D)
What is the current in a circuit with an applied voltage of 120 volts and a resistance of 80 ohms?
D. 1.5 amperes
T5D08 (C)
What is the current through a 100-ohm resistor connected across 200 volts?
C. 2 amperes
T5D09 (C)
What is the current through a 24-ohm resistor connected across 240 volts?
C. 10 amperes
T5D10 (A)
What is the voltage across a 2-ohm resistor if a current of 0.5 amperes flows through it?
A. 1 volt
T5D11 (B)
What is the voltage across a 10-ohm resistor if a current of 1 ampere flows through it?
B. 10 volts
T5D12 (D)
What is the voltage across a 10-ohm resistor if a current of 2 amperes flows through it?
D. 20 volts
T5D13 (A)
In which type of circuit is DC current the same through all components?
A. Series
T5D14 (B)
In which type of circuit is voltage the same across all components?
B. Parallel
SUBELEMENT T6 – ELECTRONIC AND ELECTRICAL COMPONENTS – [4 Exam Questions – 4 Groups]
T6A – Fixed and variable resistors; Capacitors; Inductors; Fuses; Switches; Batteries
T6A01 (B)
What electrical component opposes the flow of current in a DC circuit?
B. Resistor
T6A02 (C)
What type of component is often used as an adjustable volume control?
C. Potentiometer
T6A03 (B)
What electrical parameter is controlled by a potentiometer?
B. Resistance
T6A04 (B)
What electrical component stores energy in an electric field?
B. Capacitor
T6A05 (D)
What type of electrical component consists of conductive surfaces separated by an insulator?
D. Capacitor
T6A06 (C)
What type of electrical component stores energy in a magnetic field?
C. Inductor
T6A07 (D)
What electrical component is typically constructed as a coil of wire?
D. Inductor
T6A08 (C)
What is the function of an SPDT switch?
C. A single circuit is switched between one of two other circuits
T6A09 (A)
What electrical component is used to protect other circuit components from current overloads?
A. Fuse
T6A10 (D)
Which of the following battery chemistries is rechargeable?
A. Nickel-metal hydride
B. Lithium-ion
C. Lead-acid
D. All these choices are correct
T6A11 (B)
Which of the following battery chemistries is not rechargeable?
B. Carbon-zinc
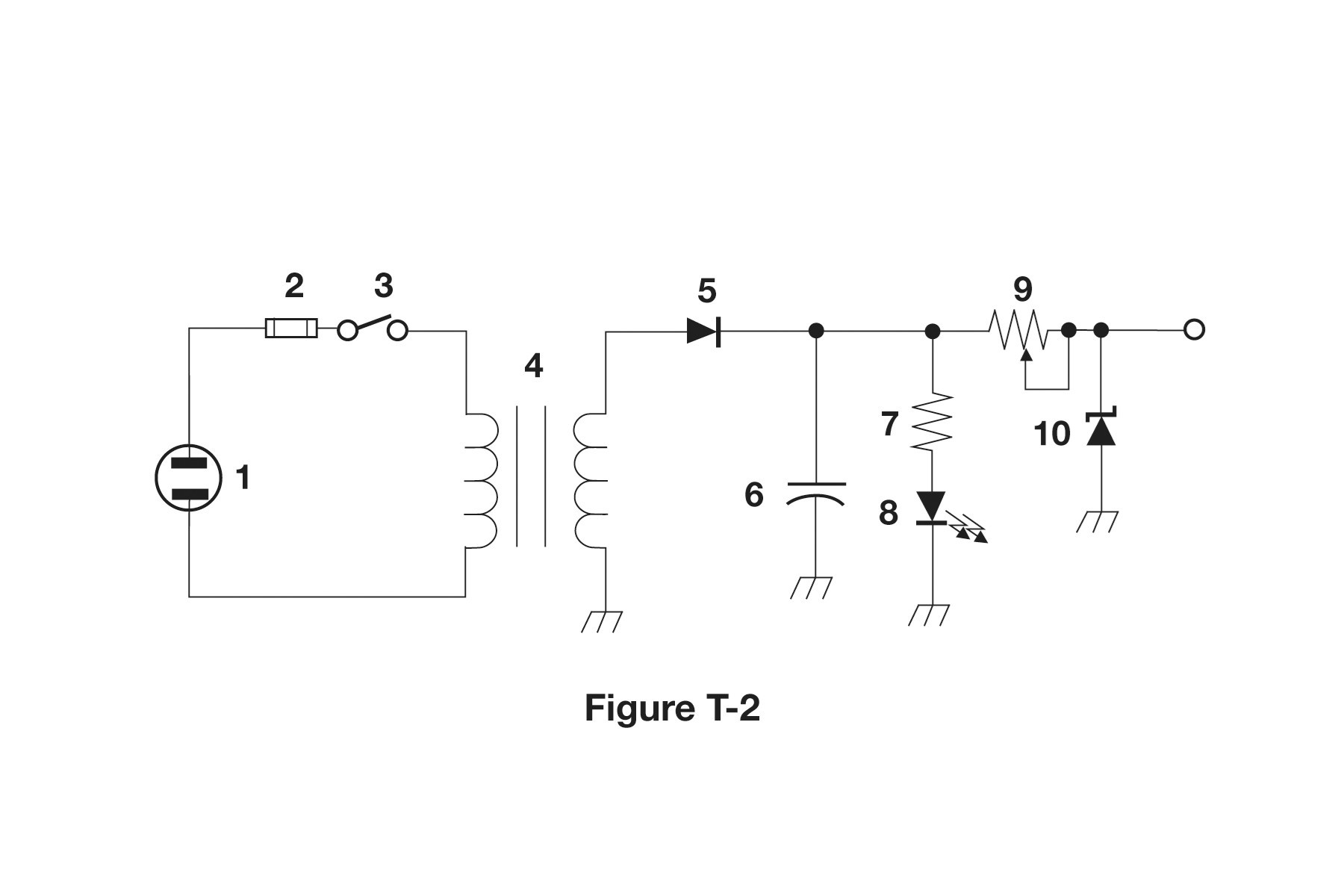
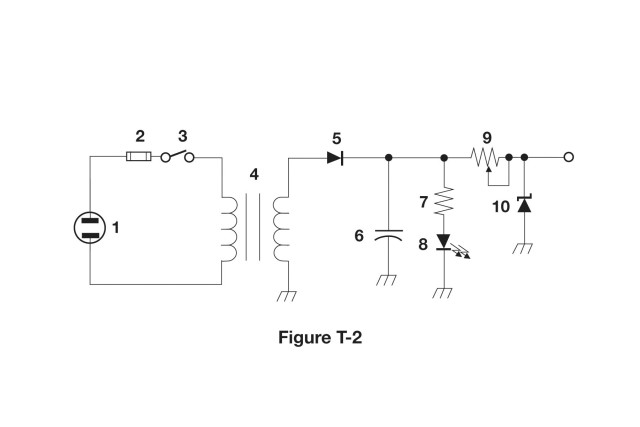
T6A12(A)
What type of switch is represented by component 3 in figure T-2?
A. Single-pole single-throw
T6B – Semiconductors: basic principles and applications of solid state devices, diodes and transistors
T6B01 (A)
Which is true about forward voltage drop in a diode?
A. It is lower in some diode types than in others
T6B02 (C)
What electronic component allows current to flow in only one direction?
C. Diode
T6B03 (C)
Which of these components can be used as an electronic switch?
C. Transistor
T6B04 (B)
Which of the following components can consist of three regions of semiconductor material?
B. Transistor
T6B05 (B)
What type of transistor has a gate, drain, and source?
B. Field-effect
T6B06 (B)
How is the cathode lead of a semiconductor diode often marked on the package?
B. With a stripe
T6B07 (A)
What causes a light-emitting diode (LED) to emit light?
A. Forward current
T6B08 (D)
What does the abbreviation FET stand for?
D. Field Effect Transistor
T6B09 (C)
What are the names for the electrodes of a diode?
C. Anode and cathode
T6B10 (B)
Which of the following can provide power gain?
B. Transistor
T6B11 (A)
What is the term that describes a device’s ability to amplify a signal?
A. Gain
T6B12 (B)
What are the names of the electrodes of a bipolar junction transistor?
B. Emitter, base, collector
T6C – Circuit diagrams: use of schematics, basic structure; Schematic symbols of basic components
T6C01 (C)
What is the name of an electrical wiring diagram that uses standard component symbols?
C. Schematic
T6C02 (A)
What is component 1 in figure T-1?
A. Resistor
T6C03 (B)
What is component 2 in figure T-1?
B. Transistor
T6C04 (C)
What is component 3 in figure T-1?
C. Lamp
T6C05 (D)
What is component 4 in figure T-1?
D. Battery
T6C06 (B)
What is component 6 in figure T-2?
B. Capacitor
T6C07 (D)
What is component 8 in figure T-2?
D. Light emitting diode
T6C08 (C)
What is component 9 in figure T-2?
C. Variable resistor
T6C09 (D)
What is component 4 in figure T-2?
D. Transformer
T6C10 (D)
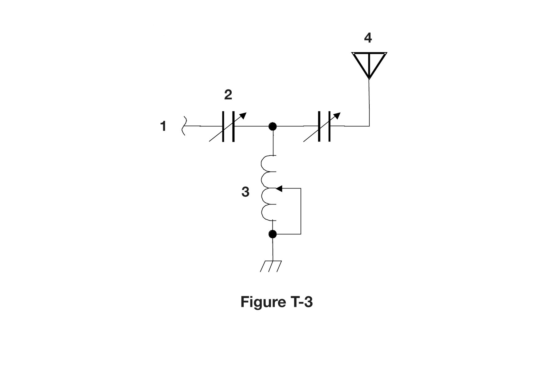
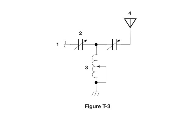
What is component 3 in figure T-3?
D. Variable inductor
T6C11 (A)
What is component 4 in figure T-3?
A. Antenna
B. Transmitter
C. Dummy load
D. Ground
T6C12 (C)
Which of the following is accurately represented in electrical schematics?
C. Component connections
T6D – Component functions: rectifiers, relays, voltage regulators, meters, indicators, integrated circuits, transformers; Resonant circuit; Shielding
T6D01 (B)
Which of the following devices or circuits changes an alternating current into a varying direct current signal?
B. Rectifier
T6D02 (A)
What is a relay?
A. An electrically-controlled switch
T6D03 (C)
Which of the following is a reason to use shielded wire?
C. To prevent coupling of unwanted signals to or from the wire
T6D04 (C)
Which of the following displays an electrical quantity as a numeric value?
C. Meter
T6D05 (A)
What type of circuit controls the amount of voltage from a power supply?
A. Regulator
T6D06 (B)
What component changes 120 V AC power to a lower AC voltage for other uses?
B. Transformer
T6D07 (A)
Which of the following is commonly used as a visual indicator?
A. LED
T6D08 (D)
Which of the following is combined with an inductor to make a resonant circuit?
D. Capacitor
T6D09 (C)
What is the name of a device that combines several semiconductors and other components into one package?
C. Integrated circuit
T6D10 (C)
What is the function of component 2 in figure T-1?
C. Control the flow of current
T6D11 (A)
Which of the following is a resonant or tuned circuit?
A. An inductor and a capacitor in series or parallel
SUBELEMENT T7 – PRACTICAL CIRCUITS – [4 Exam Questions – 4 Groups]
T7A – Station equipment: receivers, transceivers, transmitter amplifiers, receive amplifiers, transverters; Basic radio circuit concepts and terminology: sensitivity, selectivity, mixers, oscillators, PTT, modulation
T7A01 (B)
Which term describes the ability of a receiver to detect the presence of a signal?
B. Sensitivity
T7A02 (A)
What is a transceiver?
A. A device that combines a receiver and transmitter
T7A03 (B)
Which of the following is used to convert a signal from one frequency to another?
B. Mixer
T7A04 (C)
Which term describes the ability of a receiver to discriminate between multiple signals?
C. Selectivity
T7A05 (D)
What is the name of a circuit that generates a signal at a specific frequency?
D. Oscillator
T7A06 (C)
What device converts the RF input and output of a transceiver to another band?
C. Transverter
T7A07 (B)
What is the function of a transceiver’s PTT input?
B. Switches transceiver from receive to transmit when grounded
T7A08 (C)
Which of the following describes combining speech with an RF carrier signal?
C. Modulation
T7A09 (B)
What is the function of the SSB/CW-FM switch on a VHF power amplifier?
B. Set the amplifier for proper operation in the selected mode
T7A10 (B)
What device increases the transmitted output power from a transceiver?
B. An RF power amplifier
T7A11 (A)
Where is an RF preamplifier installed?
A. Between the antenna and receiver
T7B – Symptoms, causes, and cures of common transmitter and receiver problems: overload and overdrive, distortion, interference and consumer electronics, RF feedback
T7B01 (D)
What can you do if you are told your FM handheld or mobile transceiver is over-deviating?
D. Talk farther away from the microphone
T7B02 (A)
What would cause a broadcast AM or FM radio to receive an amateur radio transmission unintentionally?
A. The receiver is unable to reject strong signals outside the AM or FM band
T7B03 (D)
Which of the following can cause radio frequency interference?
A. Fundamental overload
B. Harmonics
C. Spurious emissions
D. All these choices are correct
T7B04 (D)
Which of the following could you use to cure distorted audio caused by RF current on the shield of a microphone cable?
D. Ferrite choke
T7B05 (A)
How can fundamental overload of a non-amateur radio or TV receiver by an amateur signal be reduced or eliminated?
A. Block the amateur signal with a filter at the antenna input of the affected receiver
T7B06 (A)
Which of the following actions should you take if a neighbor tells you that your station’s transmissions are interfering with their radio or TV reception?
A. Make sure that your station is functioning properly and that it does not cause interference to your own radio or television when it is tuned to the same channel
T7B07 (D)
Which of the following can reduce overload of a VHF transceiver by a nearby commercial FM station?
D. Installing a band-reject filter
T7B08 (D)
What should you do if something in a neighbor’s home is causing harmful interference to your amateur station?
A. Work with your neighbor to identify the offending device
B. Politely inform your neighbor that FCC rules prohibit the use of devices that cause interference
C. Make sure your station meets the standards of good amateur practice
D. All these choices are correct
T7B09 (D)
What should be the first step to resolve non-fiber optic cable TV interference caused by your amateur radio transmission?
D. Be sure all TV feed line coaxial connectors are installed properly
T7B10 (D)
What might be a problem if you receive a report that your audio signal through an FM repeater is distorted or unintelligible?
A. Your transmitter is slightly off frequency
B. Your batteries are running low
C. You are in a bad location
D. All these choices are correct
T7B11 (C)
What is a symptom of RF feedback in a transmitter or transceiver?
C. Reports of garbled, distorted, or unintelligible voice transmissions
T7C – Antenna and transmission line measurements and troubleshooting: measuring SWR, effects of high SWR, causes of feed line failures; Basic coaxial cable characteristics; Use of dummy loads when testing
T7C01 (A)
What is the primary purpose of a dummy load?
A. To prevent transmitting signals over the air when making tests
T7C02 (B)
Which of the following is used to determine if an antenna is resonant at the desired operating frequency?
B. An antenna analyzer
T7C03 (B)
What does a dummy load consist of?
B. A non-inductive resistor mounted on a heat sink
T7C04 (C)
What reading on an SWR meter indicates a perfect impedance match between the antenna and the feed line?
C. 1:1
T7C05 (A)
Why do most solid-state transmitters reduce output power as SWR increases beyond a certain level?
A. To protect the output amplifier transistors
T7C06 (D)
What does an SWR reading of 4:1 indicate?
D. Impedance mismatch
T7C07 (C)
What happens to power lost in a feed line?
C. It is converted into heat
T7C08 (D)
Which instrument can be used to determine SWR?
D. Directional wattmeter
T7C09 (A)
Which of the following causes failure of coaxial cables?
A. Moisture contamination
T7C10 (D)
Why should the outer jacket of coaxial cable be resistant to ultraviolet light?
D. Ultraviolet light can damage the jacket and allow water to enter the cable
T7C11 (C)
What is a disadvantage of air core coaxial cable when compared to foam or solid dielectric types?
C. It requires special techniques to prevent moisture in the cable
T7D – Using basic test instruments: voltmeter, ammeter, and ohmmeter; Soldering
T7D01 (B)
Which instrument would you use to measure electric potential?
B. A voltmeter
T7D02 (B)
How is a voltmeter connected to a component to measure applied voltage?
B. In parallel
T7D03 (A)
When configured to measure current, how is a multimeter connected to a component?
A. In series
T7D04 (D)
Which instrument is used to measure electric current?
D. An ammeter
T7D05 Question Removed (section not renumbered)
T7D06 (C)
Which of the following can damage a multimeter?
C. Attempting to measure voltage when using the resistance setting
T7D07 (C)
Which of the following measurements are made using a multimeter?
C. Voltage and resistance
T7D08 (A)
Which of the following types of solder should not be used for radio and electronic applications?
A. Acid-core solder
T7D09 (C)
What is the characteristic appearance of a cold tin-lead solder joint?
C. A rough or lumpy surface
T7D10 (A)
What reading indicates that an ohmmeter is connected across a large, discharged capacitor?
A. Increasing resistance with time
T7D11 (B)
Which of the following precautions should be taken when measuring in-circuit resistance with an ohmmeter?
B. Ensure that the circuit is not powered
SUBELEMENT T8 – SIGNALS AND EMISSIONS – [4 Exam Questions – 4 Groups]
T8A – Basic characteristics of FM and SSB; Bandwidth of various modulation modes: CW, SSB, FM, fast-scan TV; Choice of emission type: selection of USB vs LSB, use of SSB for weak signal work, use of FM for VHF packet and repeaters
T8A01 (C)
Which of the following is a form of amplitude modulation?
C. Single sideband
T8A02 (A)
What type of modulation is commonly used for VHF packet radio transmissions?
A. FM or PM
T8A03 (C)
Which type of voice mode is often used for long-distance (weak signal) contacts on the VHF and UHF bands?
C. SSB
T8A04 (D)
Which type of modulation is commonly used for VHF and UHF voice repeaters?
D. FM or PM
T8A05 (C)
Which of the following types of signal has the narrowest bandwidth?
C. CW
T8A06 (A)
Which sideband is normally used for 10 meter HF, VHF, and UHF single-sideband communications?
A. Upper sideband
T8A07 (C)
What is a characteristic of single sideband (SSB) compared to FM?
C. SSB signals have narrower bandwidth
T8A08 (B)
What is the approximate bandwidth of a typical single sideband (SSB) voice signal?
B. 3 kHz
T8A09 (C)
What is the approximate bandwidth of a VHF repeater FM voice signal?
C. Between 10 and 15 kH
T8A10 (B)
What is the approximate bandwidth of AM fast-scan TV transmissions?
B. About 6 MHz
T8A11 (B)
What is the approximate bandwidth required to transmit a CW signal?
B. 150 Hz
T8A12 (B)
Which of the following is a disadvantage of FM compared with single sideband?
B. Only one signal can be received at a time
T8B – Amateur satellite operation: Doppler shift, basic orbits, operating protocols, modulation mode selection, transmitter power considerations, telemetry and telecommand, satellite tracking programs, beacons, uplink and downlink mode definitions, spin fading, definition of “LEO”, setting uplink power
T8B01 (C)
What telemetry information is typically transmitted by satellite beacons?
C. Health and status of the satellite
T8B02 (B)
What is the impact of using excessive effective radiated power on a satellite uplink?
B. Blocking access by other users
T8B03 (D)
Which of the following are provided by satellite tracking programs?
A. Maps showing the real-time position of the satellite track over Earth
B. The time, azimuth, and elevation of the start, maximum altitude, and end of a pass
C. The apparent frequency of the satellite transmission, including effects of Doppler shift
D. All these choices are correct
T8B04 (D)
What mode of transmission is commonly used by amateur radio satellites?
A. SSB
B. FM
C. CW/data
D. All these choices are correct
T8B05 (D)
What is a satellite beacon?
D. A transmission from a satellite that contains status information
T8B06 (B)
Which of the following are inputs to a satellite tracking program?
B. The Keplerian elements
T8B07 (C)
What is Doppler shift in reference to satellite communications?
C. An observed change in signal frequency caused by relative motion between the satellite and Earth station
T8B08 (B)
What is meant by the statement that a satellite is operating in U/V mode?
B. The satellite uplink is in the 70 centimeter band and the downlink is in the 2 meter band
T8B09 (B)
What causes spin fading of satellite signals?
B. Rotation of the satellite and its antennas
T8B10 (D)
What is a LEO satellite?
D. A satellite in low earth orbit
T8B11 (A)
Who may receive telemetry from a space station?
A. Anyone
T8B12 (C)
Which of the following is a way to determine whether your satellite uplink power is neither too low nor too high?
C. Your signal strength on the downlink should be about the same as the beacon
T8C – Operating activities: radio direction finding, contests, linking over the internet, exchanging grid locators
T8C01 (C)
Which of the following methods is used to locate sources of noise interference or jamming?
C. Radio direction finding
T8C02 (B)
Which of these items would be useful for a hidden transmitter hunt?
B. A directional antenna
T8C03 (D)
What operating activity involves contacting as many stations as possible during a specified period?
D. Contesting
T8C04 (C)
Which of the following is good procedure when contacting another station in a contest?
C. Send only the minimum information needed for proper identification and the contest exchange
T8C05 (A)
What is a grid locator?
A. A letter-number designator assigned to a geographic location
T8C06 (B)
How is over the air access to IRLP nodes accomplished?
B. By using DTMF signals
T8C07 (D)
What is Voice Over Internet Protocol (VoIP)?
D. A method of delivering voice communications over the internet using digital techniques
T8C08 (A)
What is the Internet Radio Linking Project (IRLP)?
A. A technique to connect amateur radio systems, such as repeaters, via the internet using Voice Over Internet Protocol (VoIP)
T8C09 (D)
Which of the following protocols enables an amateur station to transmit through a repeater without using a radio to initiate the transmission?
D. EchoLink
T8C10 (C)
What is required before using the EchoLink system?
C. Register your call sign and provide proof of license
T8C11 (A)
What is an amateur radio station that connects other amateur stations to the internet?
A. A gateway
T8D – Non-voice and digital communications: image signals and definition of NTSC, CW, packet radio, PSK, APRS, error detection and correction, amateur radio networking, Digital Mobile Radio, WSJT modes, Broadband-Hamnet
T8D01 (D)
Which of the following is a digital communications mode?
A. Packet radio
B. IEEE 802.11
C. FT8
D. All these choices are correct
T8D02 (B)
What is a “talkgroup” on a DMR repeater?
B. A way for groups of users to share a channel at different times without hearing other users on the channel
T8D03 (D)
What kind of data can be transmitted by APRS?
A. GPS position data
B. Text messages
C. Weather data
D. All these choices are correct
T8D04 (C)
What type of transmission is indicated by the term “NTSC?”
C. An analog fast-scan color TV signal
T8D05 (A)
Which of the following is an application of APRS?
A. Providing real-time tactical digital communications in conjunction with a map showing the locations of stations
T8D06 (B)
What does the abbreviation “PSK” mean?
B. Phase Shift Keying
T8D07 (A)
Which of the following describes DMR?
A. A technique for time-multiplexing two digital voice signals on a single 12.5 kHz repeater channel
T8D08 (D)
Which of the following is included in packet radio transmissions?
A. A check sum that permits error detection
B. A header that contains the call sign of the station to which the information is being sent
C. Automatic repeat request in case of error
D. All these choices are correct
T8D09 (D)
What is CW?
D. Another name for a Morse code transmission
T8D10 (D)
Which of the following operating activities is supported by digital mode software in the WSJT-X software suite?
A. Earth-Moon-Earth
B. Weak signal propagation beacons
C. Meteor scatter
D. All these choices are correct
T8D11 (C)
What is an ARQ transmission system?
C. An error correction method in which the receiving station detects errors and sends a request for retransmission
T8D12 (A)
Which of the following best describes an amateur radio mesh network?
A. An amateur-radio based data network using commercial Wi-Fi equipment with modified firmware
T8D13 (B)
What is FT8?
B. A digital mode capable of low signal-to-noise operation
SUBELEMENT T9 – ANTENNAS AND FEED LINES – [2 Exam Questions – 2 Groups]
T9A – Antennas: vertical and horizontal polarization, concept of antenna gain, definition and types of beam antennas, antenna loading, common portable and mobile antennas, relationships between resonant length and frequency, dipole pattern
T9A01 (C)
What is a beam antenna?
C. An antenna that concentrates signals in one direction
T9A02 (A)
Which of the following describes a type of antenna loading?
A. Electrically lengthening by inserting inductors in radiating elements
T9A03 (B)
Which of the following describes a simple dipole oriented parallel to Earth’s surface?
B. A horizontally polarized antenna
T9A04 (A)
What is a disadvantage of the short, flexible antenna supplied with most handheld radio transceivers, compared to a full-sized quarter-wave antenna?
A. It has low efficiency
T9A05 (C)
Which of the following increases the resonant frequency of a dipole antenna?
C. Shortening it
T9A06 (D)
Which of the following types of antenna offers the greatest gain?
D. Yagi
T9A07 (A)
What is a disadvantage of using a handheld VHF transceiver with a flexible antenna inside a vehicle?
A. Signal strength is reduced due to the shielding effect of the vehicle
T9A08 (C)
What is the approximate length, in inches, of a quarter-wavelength vertical antenna for 146 MHz?
C. 19
T9A09 (C)
What is the approximate length, in inches, of a half-wavelength 6 meter dipole antenna?
C. 112
T9A10 (D)
In which direction does a half-wave dipole antenna radiate the strongest signal?
D. Broadside to the antenna
T9A11 (C)
What is antenna gain?
C. The increase in signal strength in a specified direction compared to a reference antenna
T9A12 (A)
What is an advantage of a 5/8 wavelength whip antenna for VHF or UHF mobile service?
A. It has more gain than a 1/4-wavelength antenna
T9B – Feed lines: types, attenuation vs frequency, selecting; SWR concepts; Antenna tuners (couplers); RF Connectors: selecting, weather protection
T9B01 (B)
What is a benefit of low SWR?
B. Reduced signal loss
T9B02 (B)
What is the most common impedance of coaxial cables used in amateur radio?
B. 50 ohms
T9B03 (A)
Why is coaxial cable the most common feed line for amateur radio antenna systems?
A. It is easy to use and requires few special installation considerations
T9B04 (A)
What is the major function of an antenna tuner (antenna coupler)?
A. It matches the antenna system impedance to the transceiver’s output impedance
T9B05 (D)
What happens as the frequency of a signal in coaxial cable is increased?
D. The loss increases
T9B06 (B)
Which of the following RF connector types is most suitable for frequencies above 400 MHz?
B. Type N
T9B07 (C)
Which of the following is true of PL-259 type coax connectors?
C. They are commonly used at HF and VHF frequencies
T9B08 (D)
Which of the following is a source of loss in coaxial feed line?
A. Water intrusion into coaxial connectors
B. High SWR
C. Multiple connectors in the line
D. All these choices are correct
T9B09 (B)
What can cause erratic changes in SWR?
B. Loose connection in the antenna or feed line
T9B10 (C)
What is the electrical difference between RG-58 and RG-213 coaxial cable?
C. RG-213 cable has less loss at a given frequency
T9B11 (C)
Which of the following types of feed line has the lowest loss at VHF and UHF?
C. Air-insulated hardline
T9B12 (A)
What is standing wave ratio (SWR)?
A. A measure of how well a load is matched to a transmission line
SUBELEMENT T0 – SAFETY – [3 Exam Questions – 3 Groups]
T0A – Power circuits and hazards: hazardous voltages, fuses and circuit breakers, grounding, electrical code compliance; Lightning protection; Battery safety
T0A01 (B)
Which of the following is a safety hazard of a 12-volt storage battery?
B. Shorting the terminals can cause burns, fire, or an explosion
T0A02 (D)
What health hazard is presented by electrical current flowing through the body?
A. It may cause injury by heating tissue
B. It may disrupt the electrical functions of cells
C. It may cause involuntary muscle contractions
D. All these choices are correct
T0A03 (B)
In the United States, what circuit does black wire insulation indicate in a three-wire 120 V cable?
B. Hot
T0A04 (B)
What is the purpose of a fuse in an electrical circuit?
B. To remove power in case of overload
T0A05 (C)
Why should a 5-ampere fuse never be replaced with a 20-ampere fuse?
C. Excessive current could cause a fire
T0A06 (D)
What is a good way to guard against electrical shock at your station?
A. Use three-wire cords and plugs for all AC powered equipment
B. Connect all AC powered station equipment to a common safety ground
C. Install mechanical interlocks in high-voltage circuits
D. All these choices are correct
T0A07 (D)
Where should a lightning arrester be installed in a coaxial feed line?
A. At the output connector of a transceiver
B. At the antenna feed point
C. At the ac power service panel
D. On a grounded panel near where feed lines enter the building
T0A08 (A)
Where should a fuse or circuit breaker be installed in a 120V AC power circuit?
A. In series with the hot conductor only
T0A09 (C)
What should be done to all external ground rods or earth connections?
C. Bond them together with heavy wire or conductive strap
T0A10 (A)
What hazard is caused by charging or discharging a battery too quickly?
A. Overheating or out-gassing
T0A11 (D)
What hazard exists in a power supply immediately after turning it off?
D. Charge stored in filter capacitors
T0A12 (B)
Which of the following precautions should be taken when measuring high voltages with a voltmeter?
B. Ensure that the voltmeter and leads are rated for use at the voltages to be measured
T0B – Antenna safety: tower safety and grounding, installing antennas, antenna supports
T0B01 (C)
Which of the following is good practice when installing ground wires on a tower for lightning protection?
C. Ensure that connections are short and direct
T0B02 (D)
What is required when climbing an antenna tower?
A. Have sufficient training on safe tower climbing techniques
B. Use appropriate tie-off to the tower at all times
C. Always wear an approved climbing harness
D. All these choices are correct
T0B03 (D)
Under what circumstances is it safe to climb a tower without a helper or observer?
D. Never
T0B04 (C)
Which of the following is an important safety precaution to observe when putting up an antenna tower?
C. Look for and stay clear of any overhead electrical wires
T0B05 (B)
What is the purpose of a safety wire through a turnbuckle used to tension guy lines?
B. Prevent loosening of the turnbuckle from vibration
T0B06 (D)
What is the minimum safe distance from a power line to allow when installing an antenna?
D. Enough so that if the antenna falls, no part of it can come closer than 10 feet to the power wires
T0B07 (C)
Which of the following is an important safety rule to remember when using a crank-up tower?
C. This type of tower must not be climbed unless it is retracted, or mechanical safety locking devices have been installed
T0B08 (D)
Which is a proper grounding method for a tower?
D. Separate eight-foot ground rods for each tower leg, bonded to the tower and each other
T0B09 (C)
Why should you avoid attaching an antenna to a utility pole?
C. The antenna could contact high-voltage power lines
T0B10 (C)
Which of the following is true when installing grounding conductors used for lightning protection?
C. Sharp bends must be avoided
T0B11 (B)
Which of the following establishes grounding requirements for an amateur radio tower or antenna?
B. Local electrical codes
T0C – RF hazards: radiation exposure, proximity to antennas, recognized safe power levels, radiation types, duty cycle
T0C01 (D)
What type of radiation are radio signals?
D. Non-ionizing radiation
T0C02 (B)
At which of the following frequencies does maximum permissible exposure have the lowest value?
B. 50 MHz
T0C03 (C)
How does the allowable power density for RF safety change if duty cycle changes from 100 percent to 50 percent?
C. It increases by a factor of 2
T0C04 (D)
What factors affect the RF exposure of people near an amateur station antenna?
A. Frequency and power level of the RF field
B. Distance from the antenna to a person
C. Radiation pattern of the antenna
D. All these choices are correct
T0C05 (D)
Why do exposure limits vary with frequency?
D. The human body absorbs more RF energy at some frequencies than at others
T0C06 (D)
Which of the following is an acceptable method to determine whether your station complies with FCC RF exposure regulations?
A. By calculation based on FCC OET Bulletin 65
B. By calculation based on computer modeling
C. By measurement of field strength using calibrated equipment
D. All these choices are correct
T0C07 (B)
What hazard is created by touching an antenna during a transmission?
B. RF burn to skin
T0C08 (A)
Which of the following actions can reduce exposure to RF radiation?
A. Relocate antennas
T0C09 (B)
How can you make sure your station stays in compliance with RF safety regulations?
B. By re-evaluating the station whenever an item in the transmitter or antenna system is changed
T0C10 (A)
Why is duty cycle one of the factors used to determine safe RF radiation exposure levels?
A. It affects the average exposure to radiation
T0C11 (C)
What is the definition of duty cycle during the averaging time for RF exposure?
C. The percentage of time that a transmitter is transmitting
T0C12 (A)
How does RF radiation differ from ionizing radiation (radioactivity)?
A. RF radiation does not have sufficient energy to cause chemical changes in cells and damage DNA
T0C13 (B)
Who is responsible for ensuring that no person is exposed to RF energy above the FCC exposure limits?
B. The station licensee
End of question pool text
